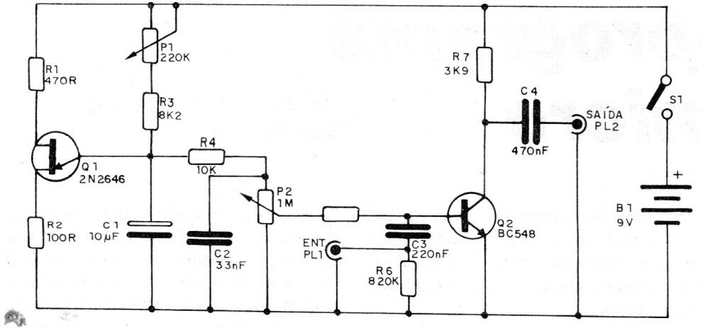
Encontramos esta configuración de vibrato de transistor en una documentación de 1987. Los componentes siguen siendo actuales y el circuito debe estar intercalado entre el instrumento musical y la entrada del amplificador. Como el consumo es bajo, la energía se puede hacer con una batería de 9 V. Los cables de señal deben estar apantallados.




