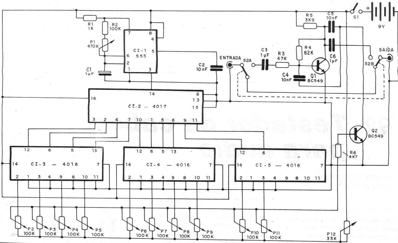
Este interesante circuito de efectos de guitarra se encontró en una publicación de 1987. Los potenciómetros programan los efectos de modulación de sonido. El circuito se intercala entre la guitarra y la entrada del amplificador que funciona con batería. Los cables de señal de entrada y salida deben estar apantallados. La velocidad del efecto es controlada por el potenciómetro al lado del 555.




