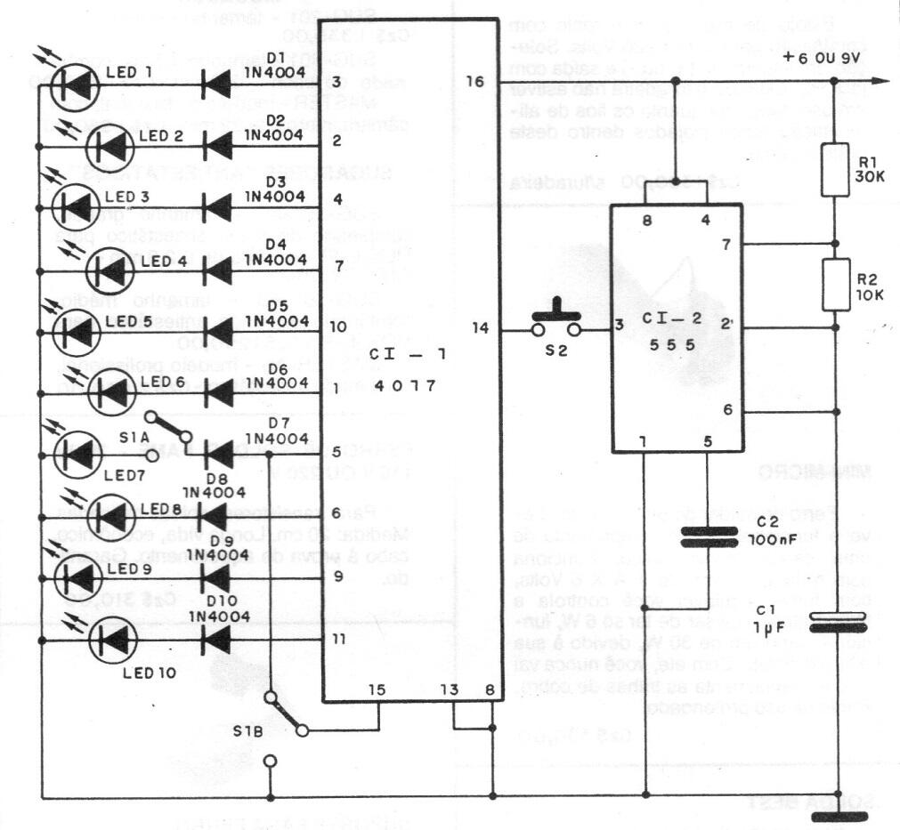
Este circuito de documentación antigua, pero con componentes modernos aún comunes hoy en día, reúne dos juegos en uno. En una posición hay un sorteo de 1 de 6 LED (dados) y en el otro 1 de 10 (ruleta). El circuito está alimentado por baterías o pilas.




