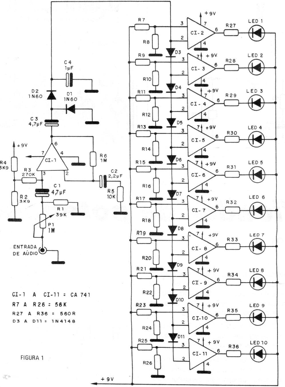
Encontramos este circuito en una publicación de 1987. Utiliza comparadores basados en el sistema operativo 741. En una versión más moderna, los comparadores LM339 que contienen 4 se pueden usar en un solo dispositivo integrado. El circuito no necesita una fuente simétrica y puede ser alimentado por tensiones de 9 a 12 V.




