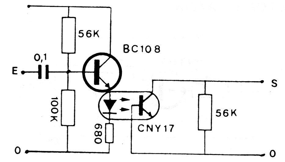
Este circuito se encontró en una documentación antigua y el transistor podría ser el equivalente moderno BC548 y el acoplador óptico 4N26 o cualquier otro. El circuito permite el acoplamiento de señales de audio o pulsantes (PWM) a un microcontrolador o cualquier otro circuito digital o analógico. La tensión puede estar entre 3 y 12 V.




