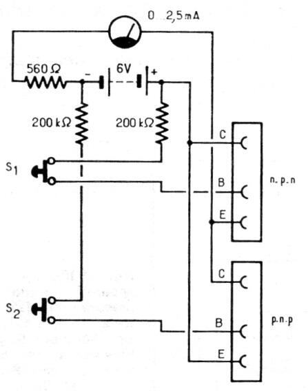
Encontramos este simple probador de transistores en una publicación francesa de 1981. Utiliza un indicador analógico común para dar una idea de la ganancia del transistor bajo prueba. Tiene enchufes a prueba de transistores NPN y PNP. El circuito funciona con baterías estándar y el indicador puede ser de 1 mA a 2.5 mA a escala completa.

Probador simple de transistores I



