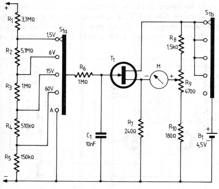
Este circuito transforma su multímetro analógico de baja sensibilidad en un voltímetro electrónico de alta resistencia de entrada, aumentando así la sensibilidad en la medición de tensiones. El FET puede ser BF245 o MPF102 y los resistores de red de entrada deben ser del tipo de alta precisión. El potenciómetro es el ajuste de nulo.




