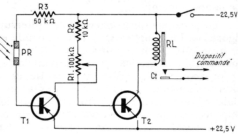
Este circuito controla un relé de luz incidente en un sensor. El sensor es un LDR y el ajuste se realiza a través de un potenciómetro o trimpot. La alimentación puede ser de 6 o 12 V, dependiendo de la tensión del relé utilizado. Los transistores pueden ser el BC558. La alta tensión del relé utilizado en el circuito original se debe al tipo de relé utilizado en ese momento.




