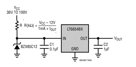
Este circuito es de la hoja de datos del componente Analog Devices. En él tenemos la manera de obtener una baja tensión de referencia a partir de altas tensiones de entrada. La fórmula para calcular R está en el diagrama mismo. Consulte el artículo anterior para obtener más información o consulte la hoja de datos en: https://mouser.com/datasheet/2/609/LT6654BX-1627703.pdf




