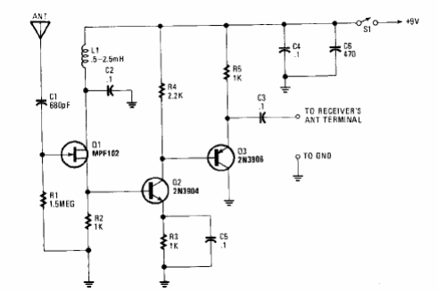
Esta buena antena de ganancia de hasta 30 MHz se encontró en una documentación estadounidense de la década de 1990. El circuito se puede implementar con transistores equivalentes modernos como el BF245 para el FET y el 2N2222 para el bipolar. Los capacitores deben ser de buena calidad cerámica. El consumo del circuito es bajo.

Antena activa



