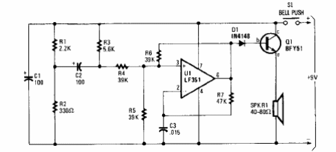
Este timbre o buzzer, tal como se anunció en la publicación estadounidense de la década de 1990, utiliza un amplificador operacional que admite el equivalente. Se puede usar y el 741 y el transistor pueden ser el BD135. El circuito puede ser alimentado por fuente.

Timbre de puerta



