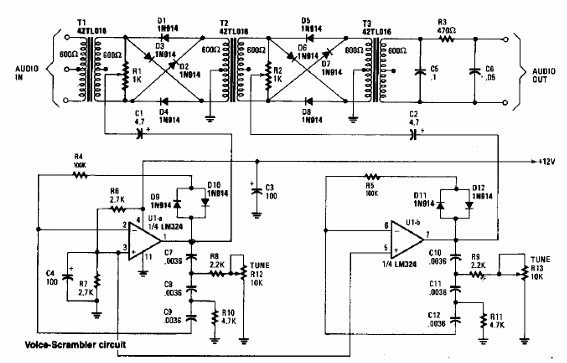
Este circuito codificador de voz se obtuvo de una documentación estadounidense de la década de 1990. Los amplificadores operacionales usados se pueden reemplazar con equivalentes aprovechando la idea cuádruple de frecuencia con transformadores. El circuito distorsiona la voz, lo que dificulta su comprensión y puede usarse para efectos o transmisión.

Scrambler de voz



