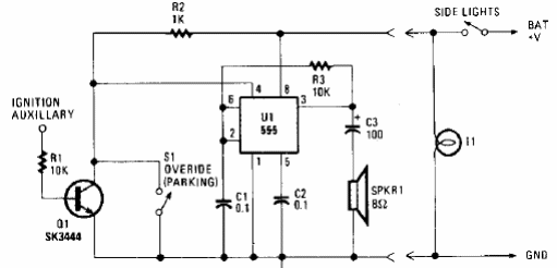
Este circuito activa un oscilador de advertencia si olvida las luces encendidas cuando sale del automóvil. El circuito se encontró en una documentación de los años 90 que se puede implementar fácilmente. El transistor puede ser un BC548.

Recordatorio de luces encendidas



