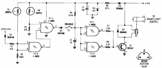
Este circuito enciende la luz de fondo de su automóvil cuando un vehículo que viene por detrás se acerca demasiado con los faros encendidos y su automóvil está estacionado. El circuito es de electrónica popular de los años 90. Los componentes utilizados son todos comunes. El LDR puede ser de cualquier tipo instalado en la parte trasera del automóvil.

Luz de seguridad



