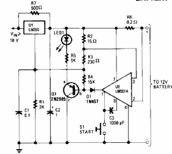
Encontramos este cargador de batería en una electrónica de manos de los 90. La corriente de carga es de 2 A y cuando cae a 150 mA en una batería cargada, el circuito se apagará automáticamente. Los componentes utilizados se pueden cambiar por equivalentes modernos.

Cargador de batería



