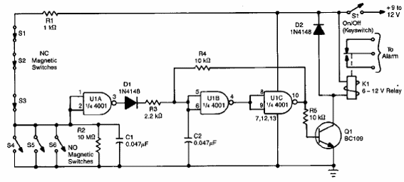
Este circuito es de Popular Electronics de los años 90. Utiliza sensores NA y NF. El relé depende de la tensión de alimentación, que en realidad puede estar entre 6 y 12 V. El transistor puede ser un BC548 Se puede aumentar el número de sensores.

Alarma CMOS



