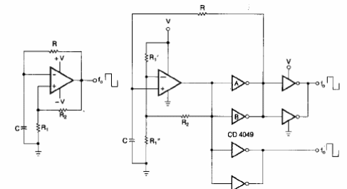
Este oscilador con operacionales y CMOS genera señales complementarias. El circuito es de un EDN de los 90 y la frecuencia está determinada por los resistores y capacitores. La fuente determina la amplitud de las señales y puede estar entre 5 y 12 V.

Oscilador com buffer



