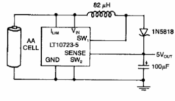
Este circuito es de una hoja de datos lineal. El circuito proporciona una tensión de 5 V con 40 mA de una batería AA. El circuito integrado utilizado puede no ser muy fácil de obtener.

Convertidor de 1 para 5 V
Este circuito es de una hoja de datos lineal. El circuito proporciona una tensión de 5 V con 40 mA de una batería AA. El circuito integrado utilizado puede no ser muy fácil de obtener.
