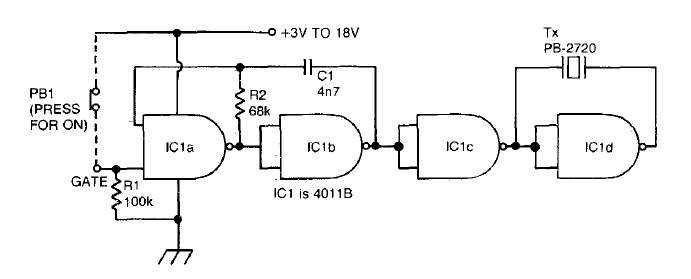
Esta alarma simple con CMOS integrado hace sonar un transductor piezoeléctrico cuando se abre el circuito del sensor. El circuito es de documentación antigua y puede usarse como alarma o shield de advertencia. El sonido producido es de 2 kHz dado por C1.




