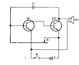
Este circuito oscilador tradicional que se puede encontrar en otra parte de esta sección utiliza transistores de propósito general. R1 puede ser 470k y C1 100nF. La alimentación puede ser típicamente entre 3 y 6 V.

Oscilador de práctica de telegrafía



