Este amplificador es del manual del circuito integrado de los 80. Se pueden adoptar configuraciones equivalentes para los circuitos modernos. La fuente es simétrica.

Amplificador disparado
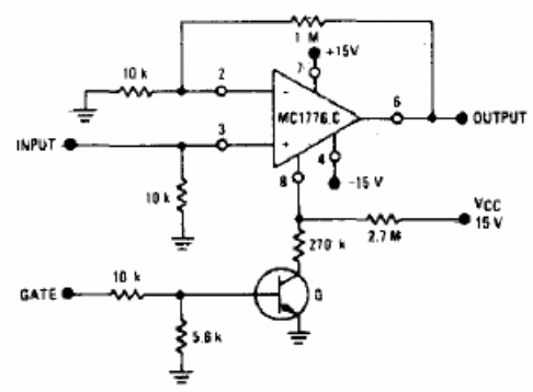
Este amplificador es del manual del circuito integrado de los 80. Se pueden adoptar configuraciones equivalentes para los circuitos modernos. La fuente es simétrica.
