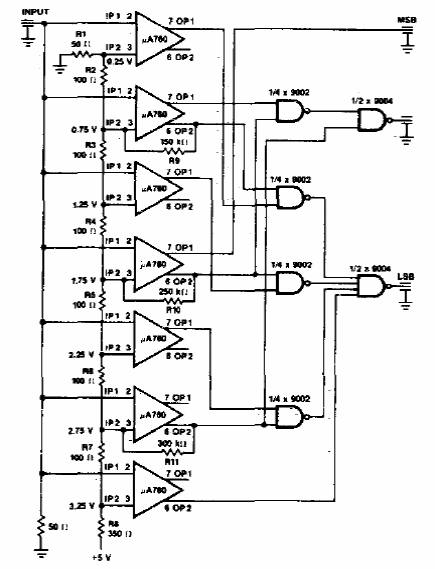
Este circuito rápido fue encontrado en una antigua documentación estadounidense. La velocidad de conversión de salida es de 30 ns y el rango de tensiones de entrada es de 3.5 V. El circuito utiliza operacionales de la época, pero se puede cambiar para usar componentes más modernos.

Convertidor AD de 3 bits



