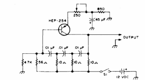
Se pueden usar transistores equivalentes en este circuito de los años 80. Cualquier transistor PNP de propósito general puede funcionar bien y las frecuencias son dadas por los capacitores. La señal de salida es sinusoidal.

Oscilador 800Hz
Se pueden usar transistores equivalentes en este circuito de los años 80. Cualquier transistor PNP de propósito general puede funcionar bien y las frecuencias son dadas por los capacitores. La señal de salida es sinusoidal.
