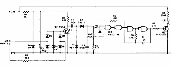
Este circuito se obtuvo de la documentación antigua, pero como utiliza componentes aún actuales, puede ensamblarse fácilmente. El circuito se basa en la frecuencia de los pulsos de platino y, por lo tanto, es adecuado para automóviles antiguos.

Alarma de velocidad



