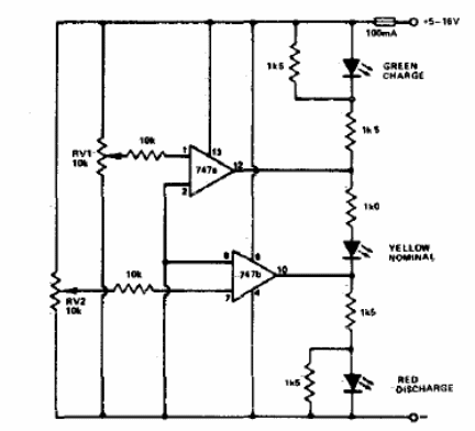
Encontramos este circuito en documentación en inglés de los años 80. El circuito se puede hacer con componentes más modernos. Indica el nivel de tensión de una batería de 12 V a través de 3 LED de diferentes colores.

Indicador de carga y descarga de batería



