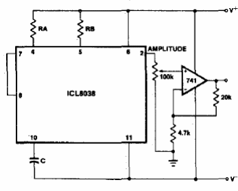
El ICL8038 es un generador de funciones que aparece en otras partes de este sitio en varias aplicaciones. El circuito indicado es un búfer para señales sinusoidales utilizando un 741 operacional. El circuito es de una documentación estadounidense de los años 80.

Buffer para el ICL8038



