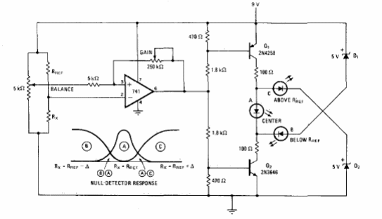
Encontramos este circuito en una documentación estadounidense de los años 80. Los transistores pueden ser equivalentes de uso general. Las curvas de comportamiento del circuito se dan con el diagrama.

Detector de nulo
Encontramos este circuito en una documentación estadounidense de los años 80. Los transistores pueden ser equivalentes de uso general. Las curvas de comportamiento del circuito se dan con el diagrama.
