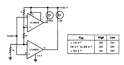
En lugar de las bombillas, LED se pueden usar con resistores de 470 ohms y 1k en este circuito de los 80. Los operacionales o comparadores también pueden ser tipos más modernos. Se proporciona una tabla lógica al lado del circuito.

Comparador de ventana con lámparas



