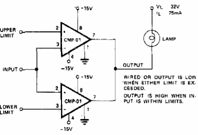
Este circuito se obtuvo en una documentación de los años 80, utilizando operacionales de la época. El circuito se puede implementar con un operacional moderno y, en lugar de la lámpara, se utiliza un LED con un resistor de 470 ohms a 2k2 dependiendo de la tensión.

Comparador de doble límite



