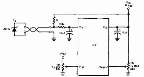
Este circuito se encontró en una publicación antigua y se puede adaptar para su uso con microcontroladores modernos. El circuito usa su propio dispositivo como sensor.

Shield sensor de temperatura
Este circuito se encontró en una publicación antigua y se puede adaptar para su uso con microcontroladores modernos. El circuito usa su propio dispositivo como sensor.
