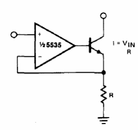
Este circuito, que aparece de otras fuentes en este sitio, convierte un voltaje en corriente. La intensidad de carga máxima depende del transistor utilizado. El operacional puede ser reemplazado por un equivalente moderno.

Convertidor de tensión a corriente



