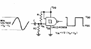
Este circuito, que se puede usar como shield, se encontró en la documentación anterior. El circuito debe ser alimentado con tensión de acuerdo con la aplicación. La frecuencia máxima es del orden de unos pocos megahertz.

Convertidor sinusoidal a cuadrado



