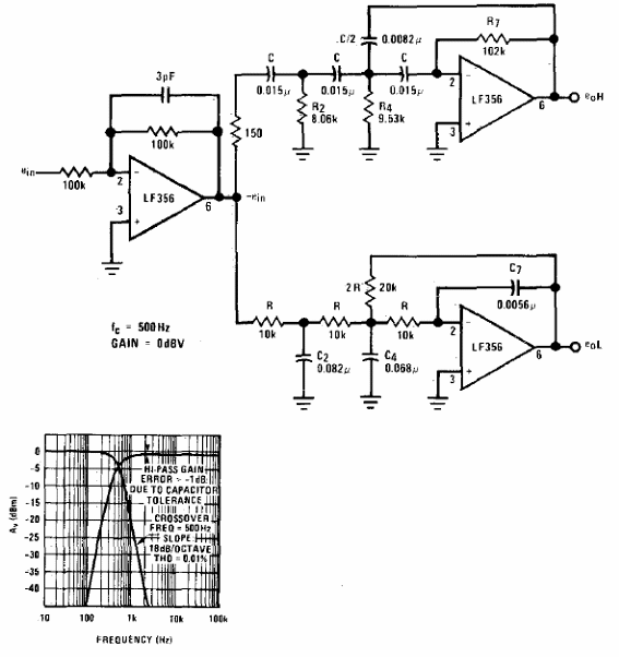
Este filtro crossover activo se obtuvo del manual del componente utilizado. A continuación se muestra la curva de rendimiento. La configuración se puede adaptar para usar amplificadores operacionales modernos y componentes calculados para otros rangos de frecuencia.

Filtro activo



