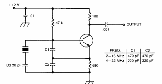
Este circuito puede generar señales de 2 a 15 MHz o de 4 a 22 MHz dependiendo de los componentes utilizados en la tabla al lado del diagrama. El transistor puede ser un 2N2222 y los capacitores deben ser de cerámica.

Oscilador de cristal
Este circuito puede generar señales de 2 a 15 MHz o de 4 a 22 MHz dependiendo de los componentes utilizados en la tabla al lado del diagrama. El transistor puede ser un 2N2222 y los capacitores deben ser de cerámica.
