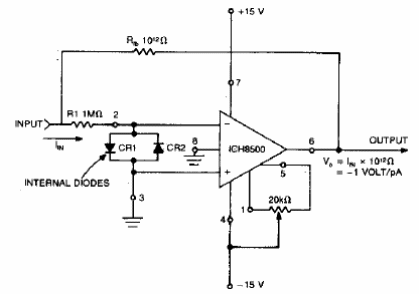
Este circuito para mediciones de corriente muy baja se encontró en una documentación de los años 80 estadounidenses. El operacional utilizado es inusual, pero el circuito se puede adaptar a equivalentes modernos.

Picoamperímetro
Este circuito para mediciones de corriente muy baja se encontró en una documentación de los años 80 estadounidenses. El operacional utilizado es inusual, pero el circuito se puede adaptar a equivalentes modernos.
