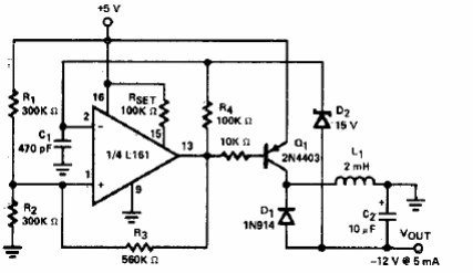
Este convertidor CC / CC se encontró en una documentación estadounidense de la década de 1980. Proporciona una salida regulada negativa a partir de una tensión positivo. Lo operacional puede ser reemplazado por equivalente. La frecuencia de funcionamiento es de 20 kHz.

Inversor regulado



