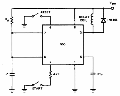
Este circuito aparece en varias partes de este sitio y esta sección, con diversos orígenes. Esto es de una documentación estadounidense de los años 80. El circuito debe ser alimentado con una tensión igual al relé utilizado. El relé debe ser de tipo sensible.

Temporizador simple



