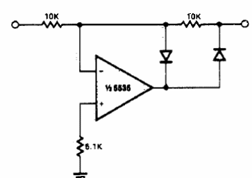
Encontramos este circuito en una documentación antigua. El amplificador operacional de la época puede ser reemplazado por un equivalente moderno. Los diodos son tipos de uso común. La alimentación debe ser por fuente simétrica.

Rectificador de media onda



