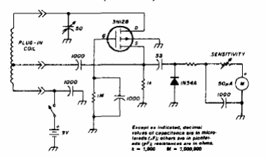
Este circuito se encontró en una documentación estadounidense de la década de 1980. Actualmente utiliza un MOSFET inusual y tiene un diodo detector separado. El indicador es un microamperímetro.

Dip Meter utilizando IGFET
Este circuito se encontró en una documentación estadounidense de la década de 1980. Actualmente utiliza un MOSFET inusual y tiene un diodo detector separado. El indicador es un microamperímetro.
