Este circuito fue encontrado en una publicación estadounidense de la década de 1980. Se puede hacer con la mayoría de los transistores de uso general actuales. El trimpot ajusta la tensión de compensación de salida.

Driver de 50 ohms
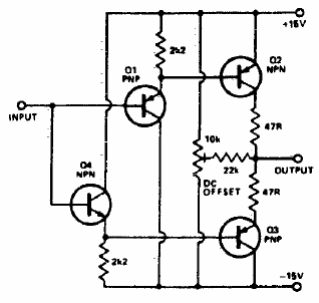
Este circuito fue encontrado en una publicación estadounidense de la década de 1980. Se puede hacer con la mayoría de los transistores de uso general actuales. El trimpot ajusta la tensión de compensación de salida.
