Este circuito se encontró en la documentación antigua. Los PUT son componentes poco comunes hoy en día. El circuito sirve como referencia para el estudio del componente básico.

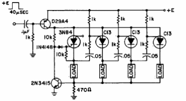
Contador en anillo con PUT
Este circuito se encontró en la documentación antigua. Los PUT son componentes poco comunes hoy en día. El circuito sirve como referencia para el estudio del componente básico.
