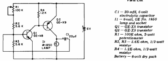
Encontramos este circuito en una documentación estadounidense de los años 80. Los transistores pueden ser equivalentes como BC548 para NPN y BD136 para PNP. En lugar de bombillas, se pueden utilizar LED de alta potencia con resistencias en serie.

Intermitente con transistores



