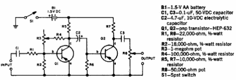
Este circuito de guitarra difuso o distorsionante se encontró en una documentación estadounidense de los años 80. Los transistores pueden ser tipos modernos como el BC558. Los cables de entrada y salida de señal deben estar apantallados.

Fuzz 2
Este circuito de guitarra difuso o distorsionante se encontró en una documentación estadounidense de los años 80. Los transistores pueden ser tipos modernos como el BC558. Los cables de entrada y salida de señal deben estar apantallados.
