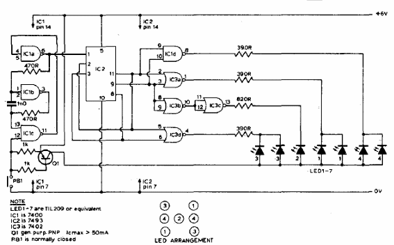
Estos datos TTL se encontraron en una antigua documentación estadounidense de la década de 1980, pero aún se pueden ensamblar fácilmente. En realidad, puede servir como base para un proyecto microcontrolado similar. En la figura tenemos la disposición de los LED en la cara de datos.

Datos electrónicos



