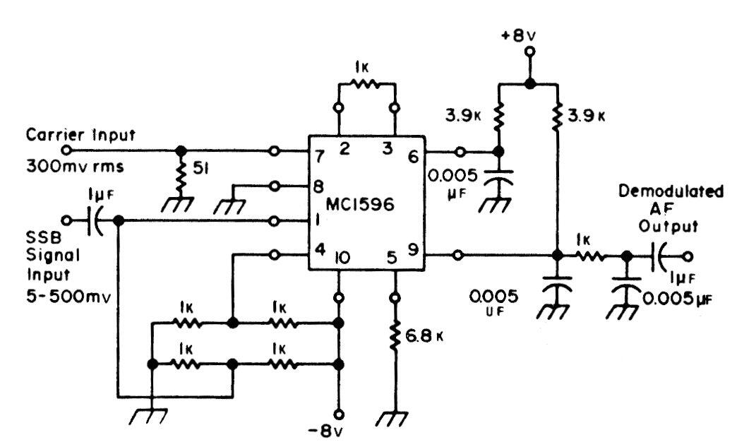
Encontrado en una publicación de la década de 1980 para radioaficionados, este circuito emplea un MC1596G que es un integrado de la era Motorola. La dificultad de obtener este integrado impide el montaje actual del circuito. Vale como referencia.
Encontrado en una publicación de la década de 1980 para radioaficionados, este circuito emplea un MC1596G que es un integrado de la era Motorola. La dificultad de obtener este integrado impide el montaje actual del circuito. Vale como referencia.