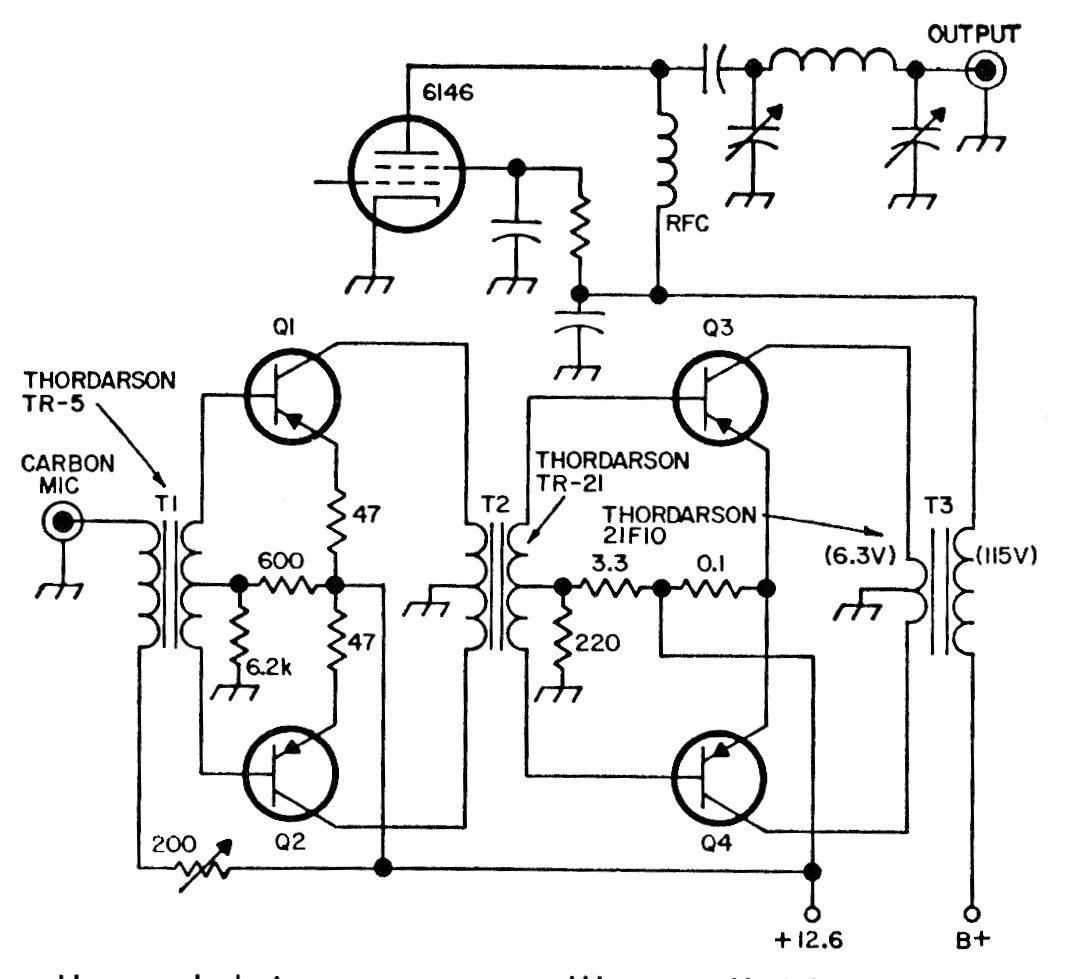
Este circuito modulador no es más que un amplificador de audio que sirve para modular las señales de amplitud en un transmisor de válvula. El circuito es de los años 80, utilizándose transistores de la época. Se pueden usar equivalentes modernos, pero los transformadores son componentes críticos del conjunto.




