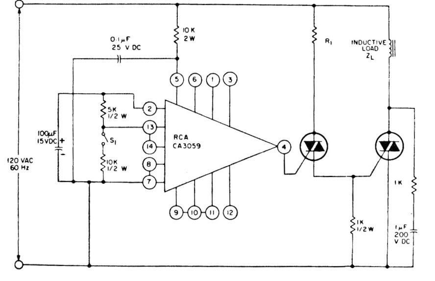
Este circuito RCA original de los 70 aparece en otra parte de este sitio, incluida la documentación RCA original. Esto es de una publicación estadounidense de los años 80. El circuito integrado utilizado es poco común hoy en día, lo que dificulta el montaje práctico del circuito.




