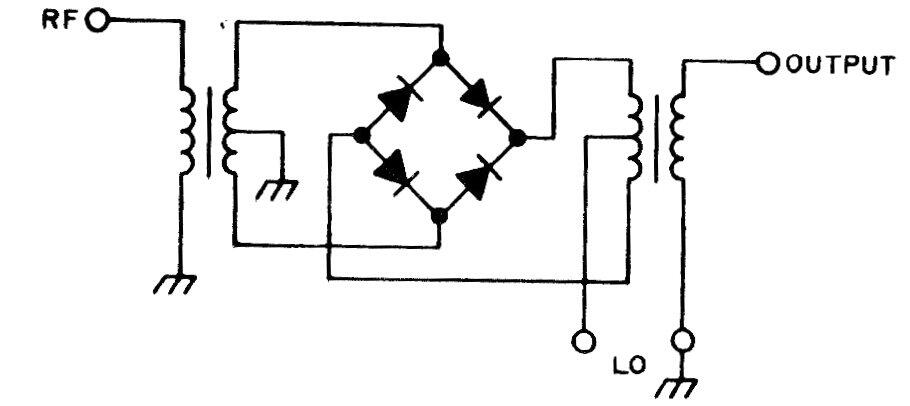
Esta configuración de modulador balanceado dual se obtuvo en una documentación de telecomunicaciones de la década de 1980. El circuito utiliza transformadores y los diodos se usan comúnmente.

 

Modulador balanceado dual
Modulador balanceado dual | Haga click en la imagen para ampliar |