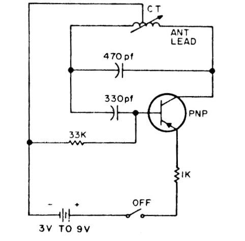
Este simple oscilador genera una señal de 455 kHz. El circuito es de una documentación de los años 80 y su aplicación sugerida está en receptores comunes para la recepción de SSB. El acoplamiento se realiza simplemente acercándose a la bobina.

Oscilador 455 kHz



