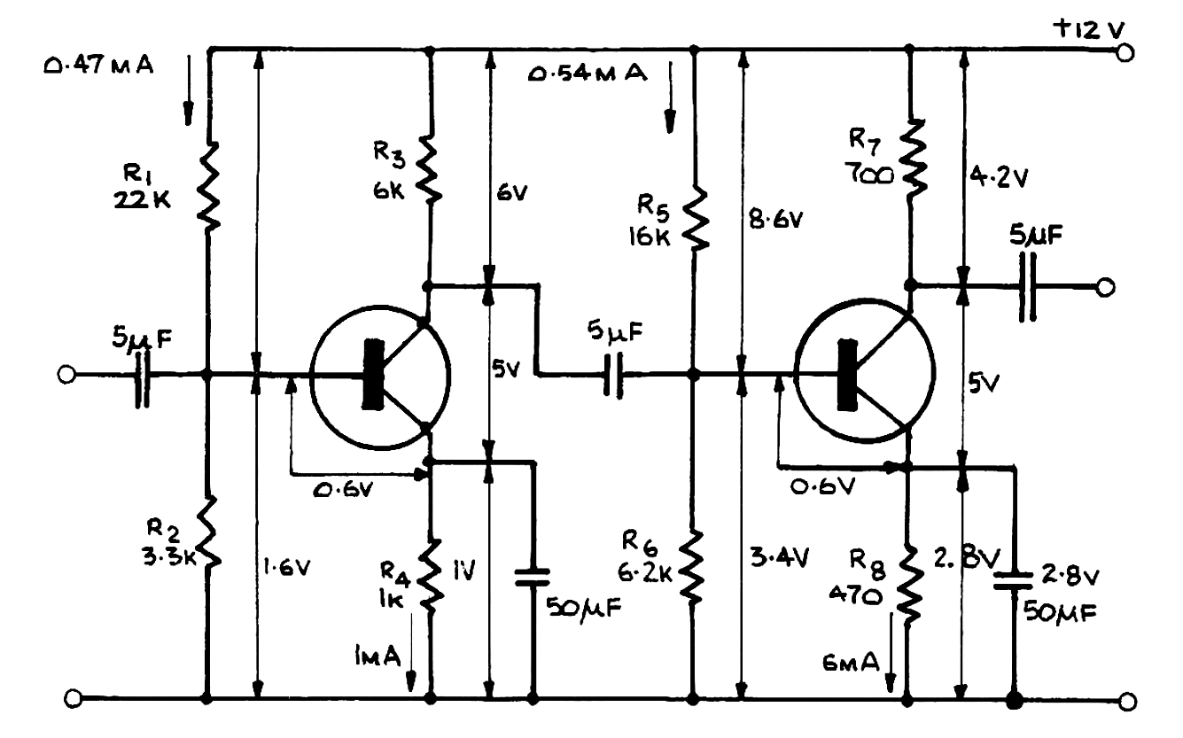
En la figura tenemos un circuito amplificador de dos pasos que muestra las tensiones en varios puntos. Los transistores son NPN de uso general y el circuito tiene una ganancia de voltaje de aproximadamente 880 veces. El circuito es de un libro de A. Fanzeres.




